特點介紹
產品描述
本產品為高精度高剛性之拉式外徑夾持系統,專為外徑精密車削加工而設計。透過拉桿驅動夾頭產生均勻且穩定的夾持力,使工件於加工過程中維持優異的同心度與穩定性。
本系統專注於外徑夾持應用,相較於多功能複合式設計,具備更高結構剛性與夾持穩定性,特別適合高精度、高重複性之批量加工環境。
廣泛應用於軸類零件、套件及各式精密外徑加工製程,是追求品質穩定與加工效率的理想解決方案。
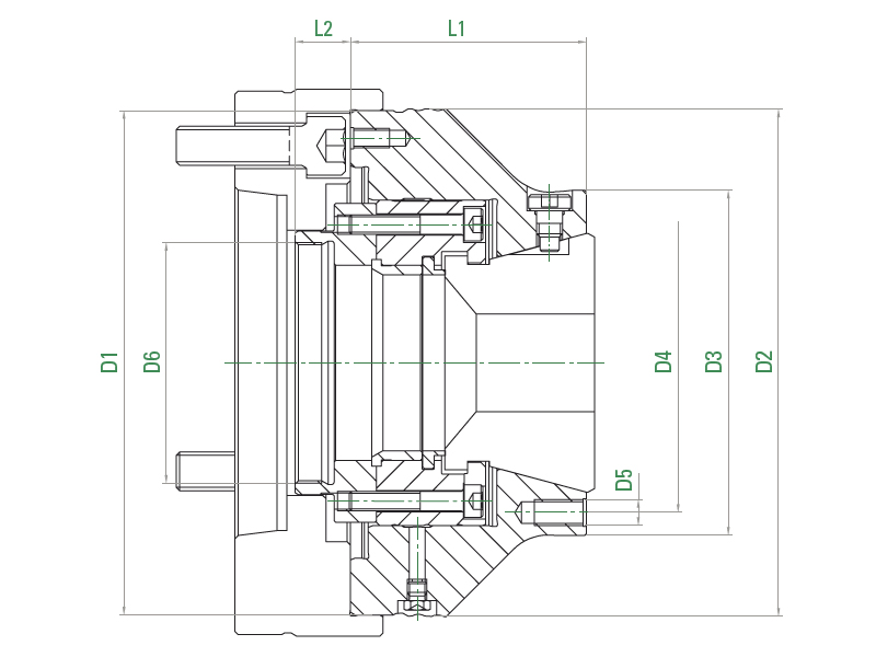
| Art. No. | 夾持直徑 | L1 | L2 | D1 | D2 | D3 | D4 | D5 | D6 | 最高迴轉速 min-1 | Collet | 總行程 | 拉桿最大拉力 kN | 夾持力 kN | 最大使用壓力 (Kgf/cm2) | 重量 (Kg) |
|---|---|---|---|---|---|---|---|---|---|---|---|---|---|---|---|---|
| TR32 | 4~32 | 70.5 | 17 | 137 | 120 | 84 | 70 | M8 | M54x1.5 | 8000 | SK32 | 6mm | 25 | 60 | 2.8 | 6.5 |
| TR42 | 4~42 | 69 | 17 | 137 | 138 | 104 | 90 | M8 | M54x1.5 | 7000 | SK42 | 6mm | 35 | 70 | 2.8 | 7.8 |
| TR52 | 4~52 | 72.5 | 17 | 155 | 156 | 106 | 92 | M8 | M74x1.5 | 6500 | SK52 | 6mm | 40 | 80 | 3.2 | 13.6 |
| TR65 | 5~65 | 78 | 17 | 155 | 156 | 122 | 110 | M8 | M74x1.5 | 6000 | SK65 | 6mm | 45 | 90 | 3.2 | 19 |
| TR80 | 5~80 | 85 | 20 | 215 | 190 | 152 | 132 | M12 | M94x1.5 | 5500 | SK80 | 6mm | 50 | 100 | 3.0 | 29.1 |
| TR100 | 42~100 | 102 | 20 | 215 | 190 | 215 | 190 | M12 | M120x1.5 | 5000 | SK100 | 6mm | 65 | 130 | 3.0 | 36.1 |
| TR120 | 62~120 | 102 | 20 | 250 | 215 | 250 | 225 | M12 | M132x1.5 | 4000 | SK120 | 6mm | 70 | 140 | 4.0 | 57.4 |