特點介紹
產品描述
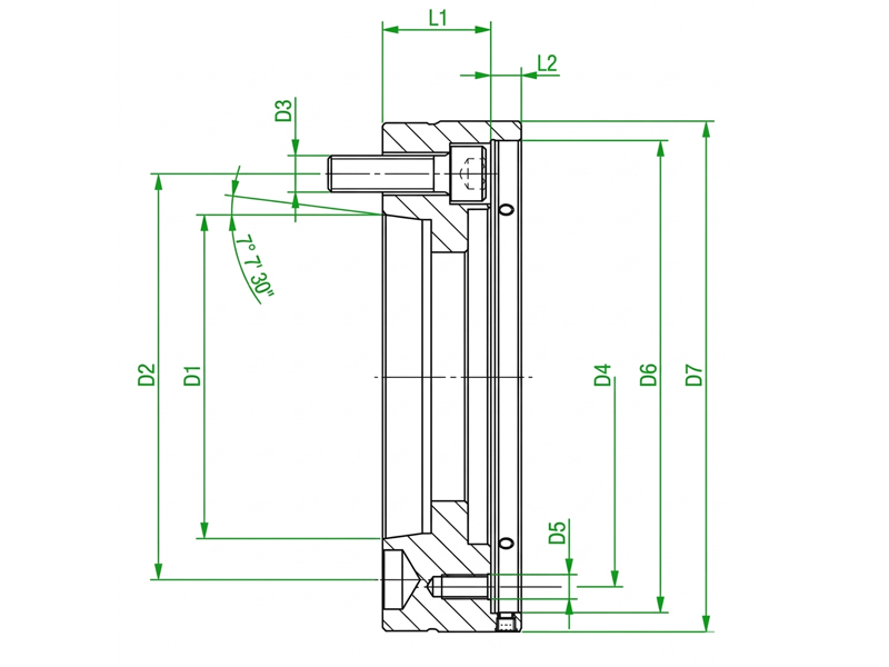
本外徑夾持法蘭盤專為外徑夾具(OD Clamping)系統所設計,作為主軸與夾持裝置之間的關鍵連接介面,提供高剛性、高精度的穩定支撐。透過精密加工與嚴格的同心度控制,有效降低偏擺與振動,確保加工過程中的尺寸精度與表面品質。
產品結構經過優化設計,能在高速運轉與重切削條件下維持優異的機械性能與長時間穩定性,特別適用於短工件或高精度零件之加工需求。同時,法蘭盤具備良好的安裝重複精度與快速更換特性,可有效提升生產效率並降低調機時間。
本產品提供 A 系列(ISO 702-1 / DIN 55028),能廣泛對應各類主軸接口與外徑夾持系統,滿足不同加工環境與應用需求
| Size | 32/42-A5 | 32/42-A6 | 52/65-A5 | 52/65-A6 | 52/65-A8 | 80/100-A6 | 80/100-A8 | 120-A8 | 120-A11 |
|---|---|---|---|---|---|---|---|---|---|
| D1 mm | 82,563 | 106,375 | 82,563 | 106,375 | 139,719 | 106,375 | 139,719 | 139,719 | 196,869 |
| D2 mm | 104,8 | 133,4 | 104,8 | 133,4 | 171,4 | 133,4 | 171,4 | 171,4 | 235 |
| D3 | 6*M10 | 3*M12 | 6*M10 | 3*M12 | 3*M16 | 6*M12 | 3*M16 | 6*M16 | 3*M20 |
| D4 mm | 100/120 | 100/120 | 138 | 138 | 138 | 190 | 190 | 225 | 225 |
| D5 | 6*M8 | 6*M8 | 6*M8 | 6*M8 | 6*M8 | 6*M12 | 6*M12 | 6*M12 | 6*M12 |
| D6 | 137 | 137 | 155 | 155 | 155 | 215 | 215 | 250 | 250 |
| D7 mm | 150 | 165 | 168 | 168 | 210 | 230 | 230 | 270 | 280 |
| L1 mm | 34,5 | 35,5 | 36 | 35,5 | 42 | 47 | 40 | 55 | 40 |
| L2 mm | 10 | 10 | 10 | 10 | 10 | 10 | 10 | 12 | 12 |