特點介紹
產品描述
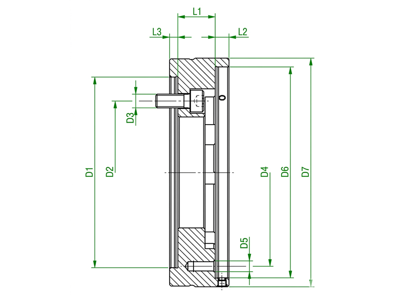
AP系列夾頭接口法蘭為CNC車床夾持系統中的關鍵連接元件,主要應用於油壓夾頭與各類專用夾具之間的接口轉接。其設計依據夾頭接口尺寸標準(如 AP140、AP170 等),提供穩定且高精度的安裝基準。
本產品採用高強度材料製成,並經精密加工與動態平衡控制,可在高速運轉環境下維持優異的同心度與夾持穩定性。適用於精密加工、重切削及自動化生產應用。
透過模組化接口設計,使用者可快速更換夾具,大幅提升生產效率,並降低換線時間,是現代CNC車床不可或缺的重要元件。
| Size | 32/42-Z140 | 52/65-Z140 | 52/65-Z170 | 80/100-Z170 | 80/100-Z220 | 120-Z220 |
|---|---|---|---|---|---|---|
| D1 mm | 140 | 140 | 170 | 170 | 220 | 220 |
| D2 mm | 104,8 | 104,8 | 133,4 | 133,4 | 171,4 | 171,4 |
| D3 | 6*M10 | 6*M10 | 6*M12 | 6*M12 | 6*M16 | 6*M16 |
| D4 mm | 100/120 | 138 | 138 | 190 | 190 | 225 |
| D5 | 6*M8 | 6*M8 | 6*M8 | 6*M12 | 6*M12 | 6*M12 |
| D6 | 137 | 155 | 155 | 215 | 215 | 250 |
| D7 | 150 | 168 | 180 | 230 | 230 | 270 |
| L1 mm | 19,5 | 27,5 | 47 | 47 | 40 | 55 |
| L2 mm | 10 | 10 | 10 | 10 | 10 | 12 |
| L3 mm | 6 | 6 | 6 | 6 | 6 | 6 |