特點介紹
產品描述
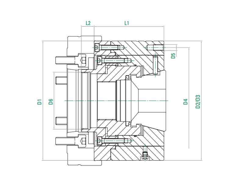
BE系列是一款專為高精密加工設計的動力輔助前推式夾頭 (Push-Forward Power Chuck)。其獨特的機構設計突破了傳統夾具的限制,採用「筒夾軸向固定」與「斜度本體移動」的結合技術。
在夾緊過程中,主軸動力驅動夾頭內部的斜度機構向前推進,透過精密研磨的錐面擠壓筒夾,使其產生強大的徑向夾緊力。由於筒夾始終保持在固定的軸向位置(Dead Length),能徹底消除加工件在夾緊時產生的位移誤差,確保極高的端面定位精度與重現性。此系列特別適用於 CNC 精密車床、二序加工以及對長度公差有嚴苛要求的自動化生產環境。
| Art. No. | Clamping range | L1 | L2 | D1 | D2 | D3 | D4 | D5 | D6 | Max speed min | Collet | Total stroke | Maximum draw bar pull kN | Clamping force kN | Max.Pressure (Kgf/cm2) | Weight (Kg) |
|---|---|---|---|---|---|---|---|---|---|---|---|---|---|---|---|---|
| BE32 | 4~32 | 80.5 | 15.5 | 137 | 137 | 105 | 94 | M8 | M48x1.5 | 8000 | SK32 | 6mm | 25 | 60 | 3.0 | 6.5 |
| BE42 | 4~42 | 81 | 16 | 137 | 137 | 137 | 120 | M8 | M54x1.5 | 7000 | SK42 | 6mm | 35 | 70 | 3.0 | 7.8 |
| BE52 | 4~52 | 92.5 | 17 | 155 | 155 | 155 | 138 | M8 | M74x1.5 | 6500 | SK52 | 6mm | 40 | 80 | 2.5 | 11.5 |
| BE65 | 5~65 | 92.5 | 17 | 155 | 155 | 155 | 138 | M8 | M74x1.5 | 6000 | SK65 | 6mm | 45 | 90 | 2.5 | 17.5 |
| BE80 | 5~80 | 102 | 18.5 | 215 | 215 | 215 | 190 | M12 | M94x1.5 | 5500 | SK80 | 6mm | 50 | 100 | 3.0 | 22 |
| BE100 | 42~100 | 102 | 18.5 | 215 | 215 | 215 | 190 | M12 | M120x1.5 | 5000 | SK100 | 6mm | 65 | 130 | 3.0 | 34.1 |
| BE120 | 62~120 | 122 | 18.5 | 260 | 260 | 260 | 225 | M12 | M132x1.5 | 4000 | SK120 | 6mm | 70 | 140 | 4.0 | 52.4 |